Art.Nr.: 262661


Alle angebotenen Gewerbe-Artikel richten sich ausschließlich an Unternehmen im Sinne des § 14 BGB (gewerblicher Betrieb) Gewerbetreibende, Freiberufler, Behörden sowie kirchliche und soziale Einrichtungen. Privatpersonen sind vom Verkauf der Gewerbe-Artikel ausgeschlossen! Alle Spülenshop24 Shoppreise gelten inkl. der gesetzlich gültigen Mehrwertsteuer.
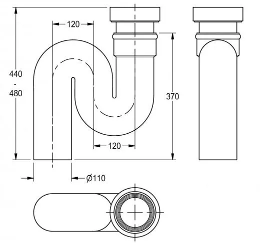
Siphon für Hock-WC / Fäkalausguss, PE schwarz, Abgang senkrecht DN 100
- Modell: KWC PROFESSIONAL Sirius Siphon ZCMPX002 2000102733
- Markenprodukt der Firma KWC
- Siphon für Franke Sirius Fäkalausguss SIRX370
- Siphon für Hock-WC-Sirius Fäkalausguss SIRX370
- PE-Rohr schwarz DN 100
- Abgang senkrecht
- Im Lieferumfang enthalten NUR der Siphon!
Detaillierte Herstellerinformationen: 
Optionen:
- Gewerbe-Artikel im Sinne § 14 BGB: *KEIN VERKAUF AN PRIVATPERSONEN!
Preis:
353,95 €