BLANCO Ablaufgarnitur 1 x 3,5'' Sieb mit Ablauffernbedienung Überlauf rechteckig/horizontal Komplett Serie: Classima, Lantos, Livit, Plus, Zia (222521)
Art.Nr.: 251046
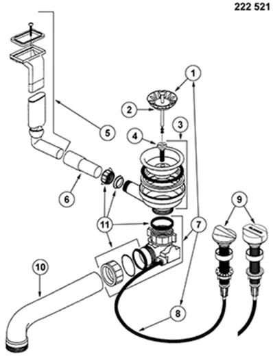
- BLANCO Ablaufgarnitur Komplett (222521)
- Komplette Ab- und Überlaufgarnitur mit Excenter
- Ablaufgarnitur 1x 3,5" mit Ablauffernbedienung
- Überlauf rechteckig/horizontal.Sieb Standard
- passend zu den Modellen:

- Im Lieferumfang enthalten alle Teile
- Kein Einzelteilverkauf möglich!
Optionen:
- Ablaufmechanismus: Ablaufgarnitur mit Drehknopfventil
Preis:
49,95 €