Art.Nr.: 262126


Alle angebotenen Gewerbe-Artikel richten sich ausschließlich an Unternehmen im Sinne des § 14 BGB (gewerblicher Betrieb) Gewerbetreibende, Freiberufler, Behörden sowie kirchliche und soziale Einrichtungen. Privatpersonen sind vom Verkauf der Gewerbe-Artikel ausgeschlossen! Alle Spülenshop24 Shoppreise gelten inkl. der gesetzlich gültigen Mehrwertsteuer.
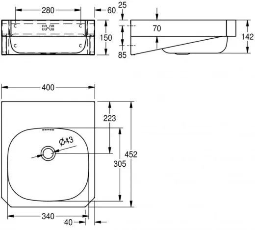
Einzelwaschtisch ANIMA für die Wandmontage fugenlos eingeschweißtes Becken
- Modell: KWC PROFESSIONAL Anima Einzelwaschtisch WT400C 203.0499.147
- Markenprodukt der Firma KWC
- Einzelwaschtisch montierbar zur Wandmontage
- Waschtisch inkl. Stopfenab-und Überlaufgarnitur G 1 1/4" B
- Material: Edelstahl / Materialtyp: 1.4301 CNS V2A / Materialstärke: 1,0mm
- Oberflächenbehandlung: seidenmatt ..
- Oberflächenbehandlung des Beckens: seidenmatt
- Gesamtbreite: 400mm
- Gesamthöhe: 150mm
- Gesamttiefe: 452mm
- Beckenabmessungen: 340x305mm
- Beckentiefe:140mm
- fugenlos eingeschweißtes Becken, rechteckige Waschtischform
- 120mm Armaturenbank, ohne Armaturenbohrung
- Stopfenab und Überlaufgarnitur G 1 1/4" B, Frontschürze mit 45° Ecken
- mit eingeschweißten Wandkonsolen
- Befestigung laut EN 31
- Position Ablauf: mittig hinten
- inkl. Befestigungsmaterial, Schrauben und Dübel
- Im Lieferumfang enthalten NUR der Einzelwaschtisch!
***Identisch FRANKE Aquarotter Produkte!
Grundsätzlich erfolgt die Lieferung aller "Gewerbespülen-Artikel" nur innerhalb Deutschlands mit Spedition. Eine Lieferung in das europäische Ausland ist nur auf Anfrage möglich!
Detaillierte Herstellerinformationen: 

Technische Daten: Allgemein
Katalogtext
Einzelwaschtisch für Wandmontage, Chromnickelstahl, Oberfläche seidenmatt, Materialstärke 1 mm, fugenlos eingeschweißtes Becken, rechteckige Waschtischform, 120 mm Armaturenbank, ohne Armaturenbohrung, mit Überlauf, Stopfenab- und Überlaufgarnitur G 1 1/4 B, Ablauf hinten mittig, Frontschürze mit 45° Ecken, mit eingeschweißten Wandkonsolen, Befestigung laut EN 31, inklusive Schrauben und Dübel.
Ausschreibungsinformationen
Einzelwaschtisch für Wandmontage, Chromnickelstahl, Oberfläche seidenmatt, Materialstärke 1 mm, fugenlos eingeschweißtes Becken, rechteckige Waschtischform, 120 mm Armaturenbank, ohne Armaturenbohrung, mit Überlauf, Stopfenab- und Überlaufgarnitur G 1 1/4 B, Ablauf hinten mittig, Frontschürze mit 45° Ecken, mit eingeschweißten Wandkonsolen, inklusive Schrauben und Dübel.
Gesamtmaße 400 x 150 x 452 mm (B x H x T)
Beckenmaße 340 x 140 x 300 mm (B x H x T)
Optionen:
- Gewerbe-Artikel im Sinne § 14 BGB: *KEIN VERKAUF AN PRIVATPERSONEN!
- Hahnlochbohrung?: OHNE Hahnlochbohrung
- Material Edelstahl: 1.4301 CNS V2A (18/10)
Preis:
485,95 €